메트릭 시리즈 플랜지 미니어처 볼 베어링은 정밀 기계에 널리 사용되는 베어링 유형이며, 특히 공간이 제한적이고 고성능 요구 사항이있는 장비에 적합합니다. 이러한 베어링은 일반적으로 내구성과 안정성을 보장하기 위해 고품질 재료로 제조됩니다. 플랜지 디자인은 추가 지원을 제공하고 설치를 용이하게하며 작동 중에 베어링의 변위를 효과적으로 줄일 수 있습니다. 이 미니 볼 베어링의 주요 특징에는 낮은 마찰 계수, 높은 회전 속도 기능 및 우수한 부하 운반 용량이 포함됩니다. 전동 공구, 로봇, 프린터 및 작은 모터와 같은 다양한 응용 분야에 적합합니다. 설계 측면에서 메트릭 시리즈 플랜지 미니어처 볼 베어링도 세부 사항에주의를 기울이며 일반적으로 다양한 장비의 요구를 충족시키기 위해 다양한 크기 및 구성으로 제공됩니다. 베어링은 일반적으로 사전 윤활 또는 밀봉됩니다.
제품 사양
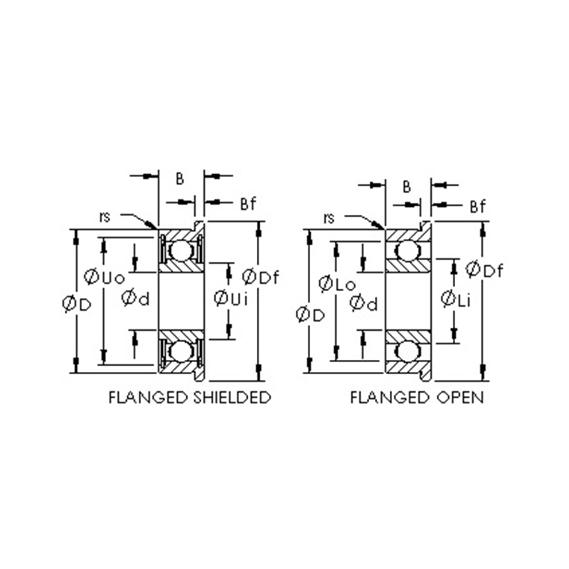
| 제품 번호 | 베어링 유형 | 치수 ≥ (mm) | 기본 부하 등급 (N) | |||||
| 디 | 디 | 비 | DF | BF | 동적 하중 등급 (CR) | 정적 부하 등급 (COR) | ||
| F691 | 오픈 플랜지 볼 베어링 | 1 | 4 | 1.6 | 5 | 0.5 | 120 | 30 |
| MF41X | 오픈 플랜지 볼 베어링 | 1.2 | 4 | 1.8 | 4.8 | 0.4 | 95 | 26 |
| F681X | 오픈 플랜지 볼 베어링 | 1.5 | 4 | 1.2 | 5 | 0.4 | 95 | 26 |
| f681xzz | 밀봉 된 플랜지 볼 베어링 | 1.5 | 4 | 2 | 5 | 0.6 | 95 | 26 |
| F691X | 오픈 플랜지 볼 베어링 | 1.5 | 5 | 2 | 6.5 | 0.6 | 144 | 40 |
| f691xzz | 밀봉 된 플랜지 볼 베어링 | 1.5 | 5 | 2.6 | 6.5 | 0.8 | 144 | 40 |
| F601X | 오픈 플랜지 볼 베어링 | 1.5 | 6 | 2.5 | 7.5 | 0.6 | 281 | 79 |
| f601xzz | 밀봉 된 플랜지 볼 베어링 | 1.5 | 6 | 3 | 7.5 | 0.8 | 281 | 79 |
| F682 | 오픈 플랜지 볼 베어링 | 2 | 5 | 1.5 | 6.1 | 0.5 | 144 | 40 |
| F682 2RS | 밀봉 된 플랜지 볼 베어링 | 2 | 5 | 1.5 | 6.1 | 0.5 | 144 | 40 |
| f682zz | 밀봉 된 플랜지 볼 베어링 | 2 | 5 | 2.3 | 6.1 | 0.6 | 144 | 40 |
| MF52 | 오픈 플랜지 볼 베어링 | 2 | 5 | 2 | 6.2 | 0.6 | 144 | 40 |
| MF52 2RS | 밀봉 된 플랜지 볼 베어링 | 2 | 5 | 2 | 6.2 | 0.6 | 144 | 40 |
| MF52ZZ | 밀봉 된 플랜지 볼 베어링 | 2 | 5 | 2.5 | 6.2 | 0.6 | 144 | 40 |
| F692 | 오픈 플랜지 볼 베어링 | 2 | 6 | 2.3 | 7.5 | 0.6 | 281 | 79 |
| F692 2RS | 밀봉 된 플랜지 볼 베어링 | 2 | 6 | 3 | 7.5 | 0.8 | 281 | 79 |
| f692zz | 밀봉 된 플랜지 볼 베어링 | 2 | 6 | 3 | 7.5 | 0.8 | 281 | 79 |
| MF62 | 오픈 플랜지 볼 베어링 | 2 | 6 | 2.5 | 7.2 | 0.6 | 281 | 79 |
| MF62 2RS | 밀봉 된 플랜지 볼 베어링 | 2 | 6 | 2.5 | 7.2 | 0.6 | 281 | 79 |
| mf62zz | 밀봉 된 플랜지 볼 베어링 | 2 | 6 | 2.5 | 7.2 | 0.6 | 281 | 79 |
| MF72 | 오픈 플랜지 볼 베어링 | 2 | 7 | 2.5 | 8.2 | 0.6 | 328 | 103 |
| MF72 2RS | 밀봉 된 플랜지 볼 베어링 | 2 | 7 | 3 | 8.2 | 0.6 | 328 | 103 |
| MF72ZZ | 밀봉 된 플랜지 볼 베어링 | 2 | 7 | 3 | 8.2 | 0.6 | 328 | 103 |
| F602 | 오픈 플랜지 볼 베어링 | 2 | 7 | 2.8 | 8.5 | 0.7 | 328 | 103 |
| F602 2RS | 밀봉 된 플랜지 볼 베어링 | 2 | 7 | 2.8 | 8.5 | 0.7 | 328 | 103 |
| F602ZZ | 밀봉 된 플랜지 볼 베어링 | 2 | 7 | 3.5 | 8.5 | 0.9 | 328 | 103 |
| F682X | 오픈 플랜지 볼 베어링 | 2.5 | 6 | 1.8 | 7.1 | 0.5 | 178 | 59 |
| F682X 2RS | 밀봉 된 플랜지 볼 베어링 | 2.5 | 6 | 1.8 | 7.1 | 0.5 | 178 | 59 |
| f682xzz | 밀봉 된 플랜지 볼 베어링 | 2.5 | 6 | 2.6 | 7.1 | 0.8 | 178 | 59 |
| F692X | 오픈 플랜지 볼 베어링 | 2.5 | 7 | 2.5 | 8.5 | 0.7 | 328 | 103 |
| F692X 2RS | 밀봉 된 플랜지 볼 베어링 | 2.5 | 7 | 3.5 | 8.5 | 0.9 | 328 | 103 |
| f692xzz | 밀봉 된 플랜지 볼 베어링 | 2.5 | 7 | 3.5 | 8.5 | 0.9 | 328 | 103 |
| MF82X | 오픈 플랜지 볼 베어링 | 2.5 | 8 | 2.5 | 9.2 | 0.6 | 180 | 67 |
| MF82X 2RS | 밀봉 된 플랜지 볼 베어링 | 2.5 | 8 | 2.5 | 9.2 | 0.6 | 180 | 67 |
| mf82xzz | 밀봉 된 플랜지 볼 베어링 | 2.5 | 8 | 2.5 | 9.2 | 0.6 | 180 | 67 |
| F602X | 오픈 플랜지 볼 베어링 | 2.5 | 8 | 2.8 | 9.5 | 0.7 | 469 | 142 |
| F602X 2RS | 밀봉 된 플랜지 볼 베어링 | 2.5 | 8 | 4 | 9.5 | 0.9 | 469 | 142 |
| f602xzz | 밀봉 된 플랜지 볼 베어링 | 2.5 | 8 | 4 | 9.5 | 0.9 | 469 | 142 |
| MF63 | 오픈 플랜지 볼 베어링 | 3 | 6 | 2 | 7.2 | 0.6 | 178 | 59 |
| MF63 2RS | 밀봉 된 플랜지 볼 베어링 | 3 | 6 | 2 | 7.2 | 0.6 | 178 | 59 |
| mf63zz | 밀봉 된 플랜지 볼 베어링 | 3 | 6 | 2.5 | 7.2 | 0.6 | 178 | 59 |
| F683 | 오픈 플랜지 볼 베어링 | 3 | 7 | 2 | 8.1 | 0.5 | 264 | 90 |
| F683 2RS | 밀봉 된 플랜지 볼 베어링 | 3 | 7 | 3 | 8.1 | 0.8 | 264 | 90 |
| f683zz | 밀봉 된 플랜지 볼 베어링 | 3 | 7 | 3 | 8.1 | 0.8 | 264 | 90 |
| MF83 | 오픈 플랜지 볼 베어링 | 3 | 8 | 2.5 | 9.2 | 0.6 | 336 | 113 |
| MF83 2RS | 밀봉 된 플랜지 볼 베어링 | 3 | 8 | 2.5 | 9.2 | 0.6 | 336 | 113 |
| mf83zz | 밀봉 된 플랜지 볼 베어링 | 3 | 8 | 3 | 9.2 | 0.6 | 336 | 113 |
| F693 | 오픈 플랜지 볼 베어링 | 3 | 8 | 3 | 9.5 | 0.7 | 474 | 114 |
| F693 2RS | 밀봉 된 플랜지 볼 베어링 | 3 | 8 | 4 | 9.5 | 0.9 | 474 | 144 |
| f693zz | 밀봉 된 플랜지 볼 베어링 | 3 | 8 | 4 | 9.5 | 0.9 | 474 | 144 |
| MF93 | 오픈 플랜지 볼 베어링 | 3 | 9 | 2.5 | 10.2 | 0.6 | 485 | 151 |
| MF93 2R | 밀봉 된 플랜지 볼 베어링 | 3 | 9 | 2.5 | 10.2 | 0.6 | 485 | 151 |
| mf93zz | 밀봉 된 플랜지 볼 베어링 | 3 | 9 | 4 | 10.6 | 0.8 | 485 | 151 |
| F603 | 오픈 플랜지 볼 베어링 | 3 | 9 | 3 | 10.5 | 0.7 | 230 | 151 |
| F603 2RS | 밀봉 된 플랜지 볼 베어링 | 3 | 9 | 5 | 10.5 | 0.7 | 230 | 151 |
| f603zz | 밀봉 된 플랜지 볼 베어링 | 3 | 9 | 5 | 10.5 | 1 | 230 | 151 |
| F623 | 오픈 플랜지 볼 베어링 | 3 | 10 | 4 | 11.5 | 1 | 536 | 175 |
| F623 2RS | 밀봉 된 플랜지 볼 베어링 | 3 | 10 | 4 | 11.5 | 1 | 536 | 175 |
| f623zz | 밀봉 된 플랜지 볼 베어링 | 3 | 10 | 4 | 11.5 | 1 | 536 | 175 |
| MF74 | 오픈 플랜지 볼 베어링 | 4 | 7 | 2 | 8.2 | 0.6 | 264 | 92 |
| MF74 2RS | 밀봉 된 플랜지 볼 베어링 | 4 | 7 | 2 | 8.2 | 0.6 | 264 | 92 |
| mf74zz | 밀봉 된 플랜지 볼 베어링 | 4 | 7 | 2.5 | 8.2 | 0.6 | 217 | 86 |
| MF84 | 오픈 플랜지 볼 베어링 | 4 | 8 | 2 | 9.2 | 0.6 | 336 | 113 |
| MF84 2RS | 밀봉 된 플랜지 볼 베어링 | 4 | 8 | 2 | 9.2 | 0.6 | 336 | 113 |
| mf84zz | 밀봉 된 플랜지 볼 베어링 | 4 | 8 | 3 | 9.2 | 0.6 | 336 | 113 |
| F684 | 오픈 플랜지 볼 베어링 | 4 | 9 | 2.5 | 10.3 | 0.6 | 545 | 182 |
| F684 2RS | 밀봉 된 플랜지 볼 베어링 | 4 | 9 | 4 | 10.3 | 1 | 545 | 182 |
| f684zz | 밀봉 된 플랜지 볼 베어링 | 4 | 9 | 4 | 10.3 | 1 | 545 | 182 |
| MF104 | 오픈 플랜지 볼 베어링 | 4 | 10 | 3 | 11.2 | 0.6 | 604 | 218 |
| MF104 2R | 밀봉 된 플랜지 볼 베어링 | 4 | 10 | 4 | 11.6 | 0.8 | 604 | 218 |
| mf104zz | 밀봉 된 플랜지 볼 베어링 | 4 | 10 | 4 | 11.6 | 0.8 | 604 | 218 |
| F694 | 오픈 플랜지 볼 베어링 | 4 | 11 | 4 | 12.5 | 1 | 814 | 280 |
| F694 2RS | 밀봉 된 플랜지 볼 베어링 | 4 | 11 | 4 | 12.5 | 1 | 814 | 280 |
| f694zz | 밀봉 된 플랜지 볼 베어링 | 4 | 11 | 4 | 12.5 | 1 | 814 | 280 |
| F604 | 오픈 플랜지 볼 베어링 | 4 | 12 | 4 | 13.5 | 1 | 814 | 280 |
| F604 2RS | 밀봉 된 플랜지 볼 베어링 | 4 | 12 | 5 | 13.5 | 1 | 814 | 280 |
| f604zz | 밀봉 된 플랜지 볼 베어링 | 4 | 12 | 5 | 13.5 | 1 | 814 | 280 |
| F624 | 오픈 플랜지 볼 베어링 | 4 | 13 | 5 | 15 | 1 | 1106 | 390 |
| F624 2R | 밀봉 된 플랜지 볼 베어링 | 4 | 13 | 5 | 15 | 1 | 1106 | 390 |
| f624zz | 밀봉 된 플랜지 볼 베어링 | 4 | 13 | 5 | 15 | 1 | 1106 | 390 |
| F634 | 오픈 플랜지 볼 베어링 | 4 | 16 | 5 | 18 | 1 | 1139 | 418 |
| F634 2RS | 밀봉 된 플랜지 볼 베어링 | 4 | 16 | 5 | 18 | 1 | 1139 | 418 |
| f634zz | 밀봉 된 플랜지 볼 베어링 | 4 | 16 | 5 | 18 | 1 | 1139 | 418 |
| MF85 | 오픈 플랜지 볼 베어링 | 5 | 8 | 2 | 9.2 | 0.6 | 262 | 96 |
| MF85 2R | 밀봉 된 플랜지 볼 베어링 | 5 | 8 | 2.5 | 9.2 | 0.6 | 185 | 72 |
| mf85zz | 밀봉 된 플랜지 볼 베어링 | 5 | 8 | 2.5 | 9.2 | 0.6 | 185 | 72 |
| MF95 | 오픈 플랜지 볼 베어링 | 5 | 9 | 2.5 | 10.2 | 0.6 | 366 | 135 |
| MF95 2RS | 밀봉 된 플랜지 볼 베어링 | 5 | 9 | 3 | 10.2 | 0.6 | 366 | 135 |
| mf95zz | 밀봉 된 플랜지 볼 베어링 | 5 | 9 | 3 | 10.2 | 0.6 | 366 | 135 |
| MF105 | 오픈 플랜지 볼 베어링 | 5 | 10 | 3 | 11.2 | 0.6 | 366 | 135 |
| MF105 2R | 밀봉 된 플랜지 볼 베어링 | 5 | 10 | 4 | 11.6 | 0.8 | 366 | 135 |
| mf105zz | 밀봉 된 플랜지 볼 베어링 | 5 | 10 | 4 | 11.6 | 0.8 | 366 | 135 |
| MF115 2RS | 밀봉 된 플랜지 볼 베어링 | 5 | 11 | 4 | 12.6 | 0.8 | 609 | 226 |
| mf115zz | 차폐 플랜지 볼 베어링 | 5 | 11 | 4 | 12.6 | 0.8 | 609 | 226 |
| MF115 | 오픈 플랜지 볼 베어링 | 5 | 11 | 4 | 12.6 | 0.8 | 609 | 226 |
| F685 | 오픈 플랜지 볼 베어링 | 5 | 11 | 3 | 12.5 | 0.8 | 609 | 226 |
| F685 2RS | 밀봉 된 플랜지 볼 베어링 | 5 | 11 | 5 | 12.5 | 1 | 609 | 226 |
| f685zz | 밀봉 된 플랜지 볼 베어링 | 5 | 11 | 5 | 12.5 | 1 | 609 | 226 |
| F695 | 오픈 플랜지 볼 베어링 | 5 | 13 | 4 | 15 | 1 | 916 | 346 |
| F695 2RS | 밀봉 된 플랜지 볼 베어링 | 5 | 13 | 4 | 15 | 1 | 916 | 346 |
| f695zz | 밀봉 된 플랜지 볼 베어링 | 5 | 13 | 4 | 15 | 1 | 916 | 346 |
| F605 | 오픈 플랜지 볼 베어링 | 5 | 14 | 5 | 16 | 1 | 1130 | 406 |
| F605 2R | 밀봉 된 플랜지 볼 베어링 | 5 | 14 | 5 | 16 | 1 | 1130 | 406 |
| f605zz | 밀봉 된 플랜지 볼 베어링 | 5 | 14 | 5 | 16 | 1 | 1130 | 406 |
| F625 | 오픈 플랜지 볼 베어링 | 5 | 16 | 5 | 18 | 1 | 1470 | 540 |
| F625 2R | 밀봉 된 플랜지 볼 베어링 | 5 | 16 | 5 | 18 | 1 | 1470 | 540 |
| f625zz | 밀봉 된 플랜지 볼 베어링 | 5 | 16 | 5 | 18 | 1 | 1470 | 540 |
| F635 | 오픈 플랜지 볼 베어링 | 5 | 19 | 6 | 22 | 1.5 | 1986 | 717 |
| F635 2R | 밀봉 된 플랜지 볼 베어링 | 5 | 19 | 6 | 22 | 1.5 | 1986 | 717 |
| f635zz | 밀봉 된 플랜지 볼 베어링 | 5 | 19 | 6 | 22 | 1.5 | 1986 | 717 |
| MF106 | 오픈 플랜지 볼 베어링 | 6 | 10 | 2.5 | 11.2 | 0.6 | 422 | 174 |
| MF106 2RS | 밀봉 된 플랜지 볼 베어링 | 6 | 10 | 3 | 11.2 | 0.6 | 422 | 174 |
| mf106zz | 밀봉 된 플랜지 볼 베어링 | 6 | 10 | 3 | 11.2 | 0.6 | 422 | 174 |
| MF126 | 오픈 플랜지 볼 베어링 | 6 | 12 | 3 | 13.2 | 0.6 | 609 | 236 |
| MF126 2RS | 밀봉 된 플랜지 볼 베어링 | 6 | 12 | 4 | 13.6 | 0.8 | 609 | 236 |
| MF126ZZ | 밀봉 된 플랜지 볼 베어링 | 6 | 12 | 4 | 13.6 | 0.8 | 609 | 236 |
| F686 | 오픈 플랜지 볼 베어링 | 6 | 13 | 3.5 | 15 | 1 | 920 | 354 |
| F686 2R | 밀봉 된 플랜지 볼 베어링 | 6 | 13 | 5 | 15 | 1.1 | 920 | 354 |
| f686zz | 밀봉 된 플랜지 볼 베어링 | 6 | 13 | 5 | 15 | 1.1 | 920 | 354 |
| F696 | 오픈 플랜지 볼 베어링 | 6 | 15 | 5 | 17 | 1.2 | 1139 | 418 |
| F696 2RS | 밀봉 된 플랜지 볼 베어링 | 6 | 15 | 5 | 17 | 1.2 | 1139 | 418 |
| f696zz | 밀봉 된 플랜지 볼 베어링 | 6 | 15 | 5 | 17 | 1.2 | 1139 | 418 |
| F606 | 오픈 플랜지 볼 베어링 | 6 | 17 | 6 | 19 | 1.2 | 1924 | 677 |
| F606 2RS | 밀봉 된 플랜지 볼 베어링 | 6 | 17 | 6 | 19 | 1.2 | 1924 | 677 |
| f606zz | 밀봉 된 플랜지 볼 베어링 | 6 | 17 | 6 | 19 | 1.2 | 1924 | 677 |
| F626 | 오픈 플랜지 볼 베어링 | 6 | 19 | 6 | 22 | 1.5 | 1986 | 717 |
| F626 2RS | 밀봉 된 플랜지 볼 베어링 | 6 | 19 | 6 | 22 | 1.5 | 1986 | 717 |
| f626zz | 밀봉 된 플랜지 볼 베어링 | 6 | 19 | 6 | 22 | 1.5 | 1986 | 717 |
| MF117 | 오픈 플랜지 볼 베어링 | 7 | 11 | 2.5 | 12.2 | 0.6 | 387 | 162 |
| MF117 2RS | 밀봉 된 플랜지 볼 베어링 | 7 | 11 | 3 | 12.2 | 0.6 | 387 | 162 |
| mf117zz | 밀봉 된 플랜지 볼 베어링 | 7 | 11 | 3 | 12.2 | 0.6 | 387 | 162 |
| MF137 | 오픈 플랜지 볼 베어링 | 7 | 13 | 3 | 14.2 | 0.6 | 460 | 221 |
| MF137 2RS | 밀봉 된 플랜지 볼 베어링 | 7 | 13 | 4 | 14.6 | 0.8 | 460 | 221 |
| MF137ZZ | 밀봉 된 플랜지 볼 베어링 | 7 | 13 | 4 | 14.6 | 0.8 | 460 | 221 |
| F687 | 오픈 플랜지 볼 베어링 | 7 | 14 | 3.5 | 16 | 1 | 997 | 410 |
| F687 2RS | 밀봉 된 플랜지 볼 베어링 | 7 | 14 | 5 | 16 | 1.1 | 997 | 410 |
| f687zz | 밀봉 된 플랜지 볼 베어링 | 7 | 14 | 5 | 16 | 1.1 | 997 | 410 |
| F697 | 오픈 플랜지 볼 베어링 | 7 | 17 | 5 | 19 | 1.2 | 1364 | 575 |
| F697 2RS | 밀봉 된 플랜지 볼 베어링 | 7 | 17 | 5 | 19 | 1.2 | 1364 | 575 |
| f697zz | 밀봉 된 플랜지 볼 베어링 | 7 | 17 | 5 | 19 | 1.2 | 1364 | 575 |
| F607 | 오픈 플랜지 볼 베어링 | 7 | 19 | 6 | 22 | 1.5 | 1986 | 717 |
| F607 2RS | 밀봉 된 플랜지 볼 베어링 | 7 | 19 | 6 | 22 | 1.5 | 1986 | 717 |
| f607zz | 밀봉 된 플랜지 볼 베어링 | 7 | 19 | 6 | 22 | 1.5 | 1986 | 717 |
| F627 | 오픈 플랜지 볼 베어링 | 7 | 22 | 7 | 25 | 1.5 | 2794 | 1103 |
| F627 2RS | 밀봉 된 플랜지 볼 베어링 | 7 | 22 | 7 | 25 | 1.5 | 2794 | 1103 |
| f627zz | 밀봉 된 플랜지 볼 베어링 | 7 | 22 | 7 | 25 | 1.5 | 2794 | 1103 |
| MF128 | 오픈 플랜지 볼 베어링 | 8 | 12 | 2.5 | 13.2 | 0.6 | 462 | 219 |
| MF128 2RS | 밀봉 된 플랜지 볼 베어링 | 8 | 12 | 3.5 | 13.6 | 0.8 | 462 | 219 |
| mf128zz | 밀봉 된 플랜지 볼 베어링 | 8 | 12 | 3.5 | 13.6 | 0.8 | 462 | 219 |
| MF148 | 오픈 플랜지 볼 베어링 | 8 | 14 | 3.5 | 15.6 | 0.8 | 695 | 309 |
| MF148 2RS | 밀봉 된 플랜지 볼 베어링 | 8 | 14 | 4 | 15.6 | 0.8 | 695 | 309 |
| MF148ZZ | 밀봉 된 플랜지 볼 베어링 | 8 | 14 | 4 | 15.6 | 0.8 | 695 | 309 |
| F688 | 오픈 플랜지 볼 베어링 | 8 | 16 | 4 | 18 | 1 | 1064 | 474 |
| F688 2RS | 밀봉 된 플랜지 볼 베어링 | 8 | 16 | 5 | 18 | 1.1 | 1064 | 474 |
| f688zz | 밀봉 된 플랜지 볼 베어링 | 8 | 16 | 5 | 18 | 1.1 | 1064 | 474 |
| F698 | 오픈 플랜지 볼 베어링 | 8 | 19 | 6 | 22 | 1.5 | 1902 | 734 |
| F698 2RS | 밀봉 된 플랜지 볼 베어링 | 8 | 19 | 6 | 22 | 1.5 | 1902 | 734 |
| f698zz | 밀봉 된 플랜지 볼 베어링 | 8 | 19 | 6 | 22 | 1.5 | 1902 | 734 |
| F608 | 오픈 플랜지 볼 베어링 | 8 | 22 | 7 | 25 | 1.5 | 2799 | 1103 |
| F608 2RS | 밀봉 된 플랜지 볼 베어링 | 8 | 22 | 7 | 25 | 1.5 | 2799 | 1103 |
| f608zz | 밀봉 된 플랜지 볼 베어링 | 8 | 22 | 7 | 25 | 1.5 | 2799 | 1103 |
| F679 | 오픈 플랜지 볼 베어링 | 9 | 14 | 3 | 15.5 | 0.8 | 781 | 374 |
| F679 2RS | 밀봉 된 플랜지 볼 베어링 | 9 | 14 | 4.5 | 15.5 | 0.8 | 781 | 374 |
| f679zz | 밀봉 된 플랜지 볼 베어링 | 9 | 14 | 4.5 | 15.5 | 0.8 | 781 | 374 |
| F689 | 오픈 플랜지 볼 베어링 | 9 | 17 | 4 | 19 | 1 | 1128 | 534 |
| F689 2RS | 밀봉 된 플랜지 볼 베어링 | 9 | 17 | 5 | 19 | 1.1 | 1128 | 534 |
| f689zz | 밀봉 된 플랜지 볼 베어링 | 9 | 17 | 5 | 19 | 1.1 | 1128 | 534 |
| F699 | 오픈 플랜지 볼 베어링 | 9 | 20 | 6 | 23 | 1.5 | 2097 | 865 |
| F699 2RS | 밀봉 된 플랜지 볼 베어링 | 9 | 20 | 6 | 23 | 1.5 | 2097 | 865 |
| f699zz | 밀봉 된 플랜지 볼 베어링 | 9 | 20 | 6 | 23 | 1.5 | 2097 | 865 |
| F609 | 오픈 플랜지 볼 베어링 | 9 | 24 | 7 | 27 | 1.5 | 2853 | 1155 |
| F609 2RS | 밀봉 된 플랜지 볼 베어링 | 9 | 24 | 7 | 27 | 1.5 | 2853 | 1155 |
| f609zz | 봉인 된 플랜지 볼 베어링 | 9 | 24 | 7 | 27 | 1.5 | 2853 | 1155 |
회사 소개 Yinin
산업 분야
뉴스 및 정보
문의하기