/ 제품 / 볼 베어링 / 추력 볼 베어링 / 51400 시리즈
51400 시리즈 추력 볼 베어링
51400 시리즈 추력 볼 베어링
51400 시리즈 추력 볼 베어링

51400 시리즈

51400 시리즈 스러스트 볼 베어링은 스러스트 하중을 견딜 수 있도록 특별히 설계된 베어링입니다. 그들은 보통 두 개의 고리 (내부 및 외부)와 내부와 외부 링 사이의 롤링 지지대를 제공하는 공 세트로 구성됩니다. 이 일련의 베어링은 우수한 하중 운반 용량과 내마모성을 가지며 고재 및 저속 응용 분야에 적합합니다. 51400 시리즈 스러스트 볼 베어링은 자동차, 기계 제조, 항공 및 기타 산업에서 널리 사용되며 마찰을 효과적으로 줄이고 장비의 운영 효율성을 향상시킬 수 있습니다. 또한 이러한 종류의 베어링은 설치 및 유지 관리가 비교적 간단하고 고온과 부식성 환경에서 우수한 성능을 유지할 수 있으며 다양한 유형의 기계식 장비에서 필수 구성 요소입니다. 적절한 모델과 사양을 선택하면 사용자는 다양한 응용 프로그램 요구를 충족하고 장비의 안정성과 신뢰성을 보장 할 수 있습니다.

문의하기

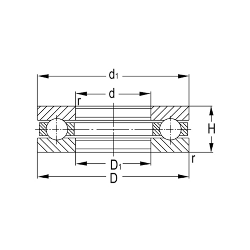
제품 사양

지정 주요 치수 (MM) 기본 부하 등급 (KN) 제한 속도 (RPM) 무게
동적 (CR) 정적 (COR) 유지 기름 (kg)
51405 25 60 24 55.5 89.2 2200 3400 0.31
51406 30 70 28 72.5 125 1900 3000 0.51
51407 35 80 32 86.8 155 1700 2600 0.76
51408 40 90 36 112 205 1500 2200 1.06
51409 45 100 39 140 262 1400 2000 1.41
51410 50 110 43 160 302 1300 1900 1.86
51411 55 120 48 182 355 1100 1700 2.51
51412 60 130 51 200 395 1000 1600 3.08
51413 65 140 56 215 448 900 1400 3.91
51414 70 150 60 255 560 850 1300 4.85
51415 75 160 65 268 615 800 1200 6.08
51416 80 170 68 292 692 750 1100 7.12
51417 85 180 72 318 782 700 1000 8.28

회사 소개 Yinin

상하이 유닌 베어링 및 변속기 회사 2009년 설립된 당사는 베어링 분야에서 20년 이상의 경험을 보유하고 있습니다. 당사는 중국 51400 시리즈 추력 볼 베어링 제조업체 이며 맞춤형 51400 시리즈 추력 볼 베어링 공장을 제공합니다.. 1999년부터 중국 베어링 제조업체의 대리점으로 활동하며 다양한 베어링을 수출해 왔습니다. 오늘날 당사는 판매와 제조를 통합한 종합 베어링 그룹으로 성장했습니다.

산업 분야

베어링은 또한 농업 기계에서 매우 중요한 역할을합니다. 그들은 회전 부품을지지하고, 마찰을 줄이고, 효율성을 향상시키고, 기계 수명을 연장하는 데 사용됩니다.

베어링은 자동차에서 널리 사용됩니다. 그들은 자동차의 많은 움직이는 부분의 주요 지원 및 회전하는 주요 부분입니다.

의료 장비의 지원, 높이, 각도, 조인트 및 회전에 사용됩니다.

지원, 회전, 모터 및 압축기 가구 기기의 부품에 사용됩니다.

자동화 장비의 지원 및 가이드의 회전 및 이동에 사용

건물 구조에서 베어링은 다른 구조 구성 요소를 연결하는 데 사용될 수 있습니다.

식품 및 음료의 생산 공정에서 액체를 운반하는 데 펌프가 필요하며 압축기는 가스를 압축하는 데 사용됩니다. 이 장비에는 베어링이 포함되어 있습니다.

베어링은 항공기 및 우주선 엔진에 사용되어 터빈, 팬 및 샤프트와 같은 회전 구성 요소를 지원합니다.

뉴스 및 정보

자세히 알아보기

2025-10-30

Application and Selection Recommendations of Deep Groov...
The deep groove ball bearing is the workhorse of the electric motor industry, serving as a critical component in everything from small appliance motors to large industrial drives. Its versatility, rel...

2025-10-24

Deep Groove Ball Bearing Installation Direction and Pre...
Proper installation is the most critical factor determining the performance, accuracy, and service life of a deep groove ball bearing. Unlike tapered roller bearings, a common point of confusion surro...

2025-10-17

How to Judge the Service Life and Wear Degree of Deep G...
Deep groove ball bearings are among the most common and versatile bearing types, found in everything from small electric motors to heavy industrial machinery. Their reliability is critical, but like a...

문의하기

SUBMIT

기술 컨설팅

  • 상하이 유닌 베어링 및 변속기 회사

    맞춤형 솔루션

  • 상하이 유닌 베어링 및 변속기 회사

    지속적인 R&D

  • 상하이 유닌 베어링 및 변속기 회사

    품질 관리

  • 상하이 유닌 베어링 및 변속기 회사

    기술 지원 및 교육

  • 상하이 유닌 베어링 및 변속기 회사

    빠른 대응

기술 관련 문의나 피드백이 있으시면 최대한 빨리 전문적인 답변을 드리겠습니다!

문의하기