대형 시리즈 스러스트 구형 롤러 베어링
대형 시리즈 스러스트 구형 롤러 베어링
대형 시리즈 스러스트 구형 롤러 베어링

대형 시리즈

대형 시리즈 스러스트 구면 롤러 베어링 상당한 축방향 하중을 관리하는 동시에 반경방향 힘을 수용하도록 설계된 특수한 내구성이 뛰어난 회전 부품입니다. 이 베어링 시리즈는 롤러가 베어링 축에 대해 특정 각도로 기울어지는 궤도 형상을 특징으로 하며 정의된 접촉 각도에서 하중이 한 궤도에서 다른 궤도로 전달될 수 있도록 합니다. 롤러의 구형 윤곽과 하우징 와셔의 해당 곡률로 인해 이러한 베어링이 자동 정렬됩니다. 즉, 내부 마찰을 증가시키지 않고 샤프트 편향이나 장착 오정렬을 보상할 수 있습니다. 고순도 베어링 강철로 제조되고 가공된 황동 또는 강철 케이지가 장착되는 경우가 많은 이러한 대규모 장치는 높은 토크, 중저속 산업 환경에서 기계적 무결성을 유지하는 데 필수적입니다.

문의하기

대형 시리즈 스러스트 구면 롤러 베어링

핵심 기술 장점

  • 자체 정렬 기능: 내부 디자인은 허용합니다 각도 정렬 불량 샤프트와 하우징 사이에 위치하여 롤러의 모서리 하중을 방지합니다.
  • 높은 축방향 하중 밀도: 롤러와 궤도면 사이의 넓은 접촉 면적이 지지대를 지지합니다. 극도의 추력 용량 견고한 수직 및 수평 샤프트 작업에 사용됩니다.
  • 결합된 로딩 지원: 표준 스러스트 베어링과 달리 구형 롤러 구성은 방사형 하중 동시 축방향 하중의 최대 55%.
  • 열 안정성: 엔지니어링된 내부 간격과 특수한 표면 마감으로 일관된 형성이 가능합니다. 윤활 필름 , 연속 작동시 발열을 줄입니다.

제품특성

기술적인 매개변수 표준사양
재료 구성 GCR15SiMn / GCr15 고탄소 크롬강
보어 직경 범위 200mm~1000mm(대형 카테고리)
케이지 유형 황동 가공(M) / 스틸 타입(J)
정밀등급 P6 / P5 / P4(ISO 표준)
작동 온도 -30°C ~ 200°C(윤활유 및 열처리에 따라 다름)
윤활 오일 배스 / 순환 오일 / 고압 그리스

기본 애플리케이션 시나리오

  • 수력 발전: 다음에서 사용됨 수직 발전기 회전하는 어셈블리의 무게를 지탱하는 터빈 추력 블록을 포함합니다.
  • 추출 야금: 통합됨 파쇄기, 분쇄기, 회전식 가마 심한 진동과 축방향 충격이 발생하는 곳.
  • 해양공학: 지원 프로펠러 추력 블록 대형 해상 선박의 견고한 갑판 기계.
  • 무거운 리프팅 장비: 활용 크레인 피벗 및 석유 시추 회전 정적 및 동적 하중 하에서 높은 구조적 강성을 요구합니다.

유지 관리 및 취급 프로토콜

보관 및 보존

베어링은 원래 상태로 보관해야 합니다. VCI(증기 부식 억제제) 내부 변형을 방지하기 위해 수평 위치로 포장합니다. 저장 공간은 다음과 같은 상태를 유지해야 합니다. 일정한 온도 상대습도는 60% 이하입니다. 방지하기 위해 설치 순간까지 장치 포장을 풀지 마십시오. 표면 산화 .

설치 및 윤활 요구 사항

  • 장착력: 사용 유압 너트 또는 베어링이 샤프트 숄더에 균일하게 안착되도록 하는 대형 설치용 유도 히터.
  • 정렬 확인: 베어링이 있는 동안 자체 정렬 , 설계 한계(일반적으로 1°~3°)를 초과하는 과도한 기울기는 최적의 상태를 보장하기 위해 수정되어야 합니다. 부하 분산 .
  • 윤활유 선택: 사용 high-viscosity oils or greases with 극압(EP) 첨가제 큰 추력을 받는 경우 롤러와 궤도 사이에 분리층을 유지합니다.
  • 초기 시작: 허용하기 위해 느린 회전 "길들이기" 기간을 수행합니다. 윤활유를 순환시키다 전체 작동 부하를 적용하기 전에 대형 롤러 세트 전체에 걸쳐.

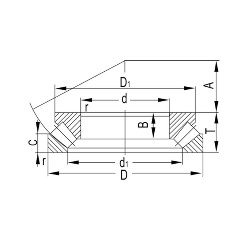
제품 사양

지정 주요치수(mm) 기본정격하중(KN) 제한속도(rpm) 무게
디1 디1 C 에이 r(분) 디ynamic(Cr) 정적(Cor) 그리스 오일 (kg)
29340 200 340 85 261 318 29 41 116 4 1200 2330 700 950 34
29340K 200 340 85 261 318 54.5 41 116 4 1200 2330 700 950 34
29440 200 400 122 267.5 360 44 56.7 122 5 2270 4300 600 800 83.5
29344 220 360 85 277.5 330 29 40.7 125 4 1390 2800 670 900 28.6
29348 240 380 85 298.5 360 29 1.7 135 4 1610 6100 600 800 35.4
29448 240 440 122 316 400 43 60 142 6 2920 10100 530 750 96.1
29256 280 380 60 322.5 364 19 29.5 150 2.1 895 2130 700 1000 21.7
29468 340 620 170 449.5 560 61 80 201 7.5 4550 9750 500 700 218
29376 380 600 132 475 561 44 61.4 216 6 3280 15200 450 650 129
29280 400 540 85 460 510 27 42 212 4 1720 4700 500 700 64.6
29380 400 620 132 489 582 44 64.7 225 6 3500 16800 440 620 153
29384 420 650 140 514.5 610 48 6.8 235 6 3800 17900 420 600 175
29292 460 620 95 525.5 590 30 49.4 245 5 2280 12900 400 580 74.7
292/500 500 670 103 572 640 33 50.5 268 5 2550 14600 380 540 117
294/500 500 870 224 648 790 81 106 290 9.5 8550 39500 320 460 589
292/530 530 710 109 640 680 35 54 288 5 2830 1660 350 500 118
292/560 560 750 115 640 715 40 56.8 302 5 3100 8600 360 480 131
292/800 800 1060 155 907.5 1010 50 80 426 7.5 5650 36000 240 340 343
292/1060 1060 1400 206 1208 1335 66 100 566 9.5 9600 62000 180 260 767
9069430 150 300 90 220 270 60 48 69 4.7 995 1710 630 900 27.3
9069432 160 320 95 234 275 61 53 74 4.7 1000 1720 560 800 33.3
9069434 170 340 103 242 310 71 48 104 3 1210 2130 530 750 40.7
9069336 180 300 73C 230 276 50 35 103 4.7 885 3000 630 900 19.4
9069436 180 360 109 265 308 67 58 82 2 1210 2130 750 750 42.3
9069244 220 300 48 260 286 31 24 117 6 440 910 850 1300 7.92
9069448 240 440 122 330 400 78 59 142 3.7 1920 3550 75 750 74.5
9069252 260 360 60 302 335 38 30 139 2.1 725 1550 530 750 15.7
9069356 280 440 95 348 413 64 46 158 5 1450 6060 530 750 49.1
9069268 340 460 73 388 438 48 36 204 3 1140 2440 530 750 31.4
9069284 420 580 95 489 548 62 46 251 4.7 1870 4150 - 560 78.9
90692/630 630 850 132 728 800 86 65 338 6 3250 8350 - 300 231
90692710 710 950 145 805 895 92 75 380 6 3600 12000 - 240 279
90694/750 750 1280 315 972 1152 160 158 448 15 13500 3100 - 100 1340

회사 소개 Yinin

상하이 유닌 베어링 및 변속기 회사 2009년 설립된 당사는 베어링 분야에서 20년 이상의 경험을 보유하고 있습니다. 당사는 중국 대형 시리즈 스러스트 구형 롤러 베어링 제조업체 이며 맞춤형 대형 시리즈 스러스트 구형 롤러 베어링 공장을 제공합니다.. 1999년부터 중국 베어링 제조업체의 대리점으로 활동하며 다양한 베어링을 수출해 왔습니다. 오늘날 당사는 판매와 제조를 통합한 종합 베어링 그룹으로 성장했습니다.

산업 분야

베어링은 또한 농업 기계에서 매우 중요한 역할을합니다. 그들은 회전 부품을지지하고, 마찰을 줄이고, 효율성을 향상시키고, 기계 수명을 연장하는 데 사용됩니다.

베어링은 자동차에서 널리 사용됩니다. 그들은 자동차의 많은 움직이는 부분의 주요 지원 및 회전하는 주요 부분입니다.

의료 장비의 지원, 높이, 각도, 조인트 및 회전에 사용됩니다.

지원, 회전, 모터 및 압축기 가구 기기의 부품에 사용됩니다.

자동화 장비의 지원 및 가이드의 회전 및 이동에 사용

건물 구조에서 베어링은 다른 구조 구성 요소를 연결하는 데 사용될 수 있습니다.

식품 및 음료의 생산 공정에서 액체를 운반하는 데 펌프가 필요하며 압축기는 가스를 압축하는 데 사용됩니다. 이 장비에는 베어링이 포함되어 있습니다.

베어링은 항공기 및 우주선 엔진에 사용되어 터빈, 팬 및 샤프트와 같은 회전 구성 요소를 지원합니다.

뉴스 및 정보

자세히 알아보기

2026-04-30

스테인레스 스틸 베어링: 녹, 가공 및 세라믹 비교 가이드
스테인레스 스틸 베어링 산업 및 소비자 제품에서 가장 널리 사용되는 베어링 재료 중 하나입니다. 대부분의 환경에서 우수한 내식성을 제공하지만 완전히 녹이 슬지 않으며 모든 용도에 최적의 선택도 아닙니다. 이 기사에서는 세라믹 베어링이 좋은지, 스테인레스 스틸을 가공할 수 있는지, 스테인레스 스틸 베어링이 녹슬지 않는지와 같은 주요 질문에 대...

2026-04-23

스테인레스 스틸 깊은 홈 볼 베어링의 서비스 수명 최적화를 위한 엔지니어링 전략
2016년부터 산업 및 무역 통합 기업으로 설립된 Shanghai Yinin Bearing & Transmission Company는 고급 회전 부품의 포괄적인 설계 및 제조를 전문으로 합니다. 1999년으로 거슬러 올라가는 역사와 12명의 전문가로 구성된 헌신적인 기술팀을 바탕으로 우리는 Shanghai Yinin Bearing Co., Ltd.와 ...

2026-04-15

고속 응용 분야에서 앵귤러 콘택트 복렬 볼 베어링에 적합한 내부 틈새를 선택하는 방법은 무엇입니까?
베어링 클리어런스에 대한 높은 회전 속도의 영향 원심력과 열팽창 : 고속 응용 분야에서는 내부 링 앵귤러 콘택트 복열 볼 베어링 일반적으로 외부 링보다 높은 온도에서 작동합니다. 이러한 열 구배로 인해 내부 링이 방사상으로 확장되어 초기 내부 틈새가 효과적으로 소모됩니다. 피팅 간섭 ...

문의하기

SUBMIT

기술 컨설팅

  • 상하이 유닌 베어링 및 변속기 회사

    맞춤형 솔루션

  • 상하이 유닌 베어링 및 변속기 회사

    지속적인 R&D

  • 상하이 유닌 베어링 및 변속기 회사

    품질 관리

  • 상하이 유닌 베어링 및 변속기 회사

    기술 지원 및 교육

  • 상하이 유닌 베어링 및 변속기 회사

    빠른 대응

기술 관련 문의나 피드백이 있으시면 최대한 빨리 전문적인 답변을 드리겠습니다!

문의하기