SG 시리즈 롤러 베어링을 추적합니다
SG 시리즈 롤러 베어링을 추적합니다
SG 시리즈 롤러 베어링을 추적합니다

SG 시리즈

SG 시리즈 궤도 롤러 베어링 트랙 및 가이드 시스템을 위해 특별히 설계된 고성능 베어링 제품입니다. 그들은 고급 제조 공정과 고품질 재료를 사용하여 극한 조건에서 안정성과 내구성을 보장합니다. 이 베어링은 우수한 하중 전달 용량과 내마모성을 가지며 철도, 건설 기계 및 운송 장비와 같은 중단 및 고속 응용 분야에 적합합니다. SG 시리즈의 설계 기능에는 최적화 된 롤링 요소와 내부 및 외부 링 모양이 포함되어 마찰을 줄이고 효율성을 향상시킵니다. 또한이 베어링은 밀봉 및 방진 저항 측면에서 잘 작동하여 서비스 수명을 효과적으로 확장합니다. 가혹한 환경이든 복잡한 운영 조건에서 SG 시리즈 궤도 롤러 베어링은 안정적인 성능을 제공하고 장비의 안전한 작동을 보장 할 수 있습니다.

문의하기

SG 시리즈 트랙 롤러 베어링-고재, 장거리 산업 솔루션

SG 시리즈 트랙 롤러 베어링 가혹한 산업 환경을 위해 설계된 대형 롤러 베어링으로, 높은 충격 하중, 연속 작동 및 극한 온도 조건에 적합합니다. 고품질의 강철 및 정밀 제조 공정으로 제작 된 이들은 마찰이 적고 강성이 높고 긴 서비스 수명을 보장하여 건설 기계, 자동화 장비 및 철도 시스템에 이상적입니다.

탁월한 내구성
HRC 60-64의 경도로 진공 탈기 베어링 스틸 (SUJ2)으로 제작 된 내마모성은 50%증가합니다.
표면 처리 처리, 녹 방지 성능은 습도 및 먼지와 같은 가혹한 환경에 적합한 ISO 표준을 충족합니다.

높은 부하 용량
동적 하중 등급 (C)은 XX KN에 도달하고 정적 부하 (C0)는 XX KN (실제 데이터에 따라 채우기)에 도달하여 방사형 및 축 결합력을 지원합니다.
강화 된 외부 링 설계, 충격 저항은 유사한 제품보다 30% 더 우수합니다.

낮은 유지 보수 설계
사전 윤활 된 씰 구조 (LLB 씰 또는 금속 먼지 덮개), 최대 10,000 시간의 생명을 기름칠하십시오.
모듈 식 디자인은 빠른 교체를 지원하고 다운 타임을 줄입니다.

정확한 작동
Onerance Grade ISO P6까지, 작동 진동 값은 업계 표준보다 낮으며 고정식 가이드 레일 시스템에 적합합니다.

SG 시리즈를 선택하는 이유는 무엇입니까?
맞춤형 서비스 : 비표준 크기, 특수 코팅 (예 : 니켈 도금) 및 윤활유 사용자 정의를 지원합니다.
글로벌 검증 : 제품은 30 개국으로 수출됩니다.

응용 프로그램 시나리오
산업용 기계 : 인쇄 기계, 제지 기계, 자동화 기계, 섬유 기계, 자동 판매기, 목공 기계, 포장 기계
전자 장비 : 로봇 암, 측정 장비, X-Y 플랫폼, 의료 장비, 공장 자동화 장비
로타리 기계 : 금속 열처리 원자로, 브레이크 시스템 등
항공 우주 산업 : 항공기 플랩 브레이크, 시트 브레이크, 미사일, 공항 장비 등
기타 : 방송 안테나 브레이크, 도어 및 창 컨트롤, 의료 침대 컨트롤, 주차 시설, 공작 기계 도어, 실험실 자동화 등

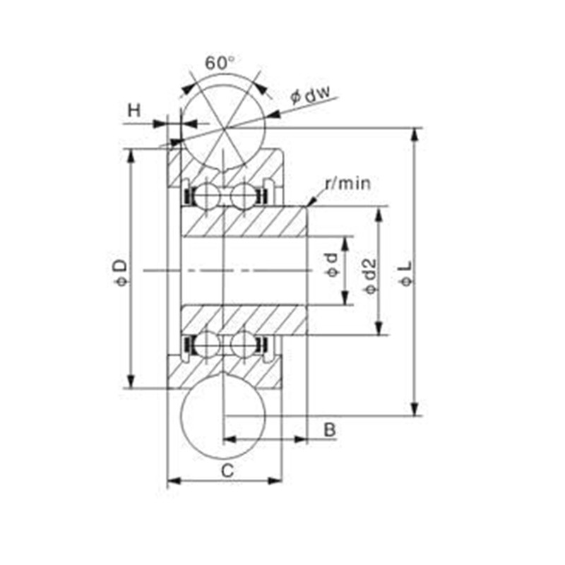
제품 사양

유형 치수 (mm) 로드 (KN) 무게
디W D 기음 D2 시간 CW 암소 (kg)
SG15 6 5 17 8 5.75 20.46 8.6 1 1.27 0.82 8
SG15-10 10 5 17 8 5.75 25.5 8.6 1 1.27 0.82 9
SG20 8 6 24 11 7.25 28.62 11.1 1.2 3.4 1.7 25
SG25 10 8 30 14 8.5 35.77 13 1.5 3.67 2.28 49
SG35 12 12 42 19 12.5 48.93 18 1.5 8.5 5.1 136
SG15N 6 5 17 8 5.75 20.46 8.6 0.5 1.27 0.82 8
sg20n 8 6 24 11 7.25 28.62 11.1 0.7 3.4 1.7 25
SG25N 10 8 30 14 8.5 35.77 13 1 3.67 2.28 49
sg35n 12 12 42 19 12.5 48.93 18 1 8.5 5.1 136

회사 소개 Yinin

상하이 유닌 베어링 및 변속기 회사 2009년 설립된 당사는 베어링 분야에서 20년 이상의 경험을 보유하고 있습니다. 당사는 중국 SG 시리즈 롤러 베어링을 추적합니다 제조업체 이며 맞춤형 SG 시리즈 롤러 베어링을 추적합니다 공장을 제공합니다.. 1999년부터 중국 베어링 제조업체의 대리점으로 활동하며 다양한 베어링을 수출해 왔습니다. 오늘날 당사는 판매와 제조를 통합한 종합 베어링 그룹으로 성장했습니다.

산업 분야

베어링은 또한 농업 기계에서 매우 중요한 역할을합니다. 그들은 회전 부품을지지하고, 마찰을 줄이고, 효율성을 향상시키고, 기계 수명을 연장하는 데 사용됩니다.

베어링은 자동차에서 널리 사용됩니다. 그들은 자동차의 많은 움직이는 부분의 주요 지원 및 회전하는 주요 부분입니다.

의료 장비의 지원, 높이, 각도, 조인트 및 회전에 사용됩니다.

지원, 회전, 모터 및 압축기 가구 기기의 부품에 사용됩니다.

자동화 장비의 지원 및 가이드의 회전 및 이동에 사용

건물 구조에서 베어링은 다른 구조 구성 요소를 연결하는 데 사용될 수 있습니다.

식품 및 음료의 생산 공정에서 액체를 운반하는 데 펌프가 필요하며 압축기는 가스를 압축하는 데 사용됩니다. 이 장비에는 베어링이 포함되어 있습니다.

베어링은 항공기 및 우주선 엔진에 사용되어 터빈, 팬 및 샤프트와 같은 회전 구성 요소를 지원합니다.

뉴스 및 정보

자세히 알아보기

2025-10-30

Application and Selection Recommendations of Deep Groov...
The deep groove ball bearing is the workhorse of the electric motor industry, serving as a critical component in everything from small appliance motors to large industrial drives. Its versatility, rel...

2025-10-24

Deep Groove Ball Bearing Installation Direction and Pre...
Proper installation is the most critical factor determining the performance, accuracy, and service life of a deep groove ball bearing. Unlike tapered roller bearings, a common point of confusion surro...

2025-10-17

How to Judge the Service Life and Wear Degree of Deep G...
Deep groove ball bearings are among the most common and versatile bearing types, found in everything from small electric motors to heavy industrial machinery. Their reliability is critical, but like a...

문의하기

SUBMIT

기술 컨설팅

  • 상하이 유닌 베어링 및 변속기 회사

    맞춤형 솔루션

  • 상하이 유닌 베어링 및 변속기 회사

    지속적인 R&D

  • 상하이 유닌 베어링 및 변속기 회사

    품질 관리

  • 상하이 유닌 베어링 및 변속기 회사

    기술 지원 및 교육

  • 상하이 유닌 베어링 및 변속기 회사

    빠른 대응

기술 관련 문의나 피드백이 있으시면 최대한 빨리 전문적인 답변을 드리겠습니다!

문의하기